已阅
亚泰集团
亚泰集团网站群:
建材
地产
医药
金融
商业
联系我们
总经理信箱
亚泰风采
营销快讯
产品与服务
新闻资讯
企业概况
董事长、总裁致辞
集团简介
历史沿革
管理团队
组织结构
经营业绩
荣誉展示
总裁致辞
集团简介
历史沿革
管理团队
组织结构
经营业绩
荣誉展示
辞
集团简介
历史沿革
管理团队
组织结构
经营业绩
荣誉展示
、总裁致辞
集团简介
历史沿革
管理团队
组织结构
经营业绩
荣誉展示
董事长、总裁致辞
集团简介
历史沿革
管理团队
组织结构
经营业绩
荣誉展示
当前位置:
首页
>
最新消息
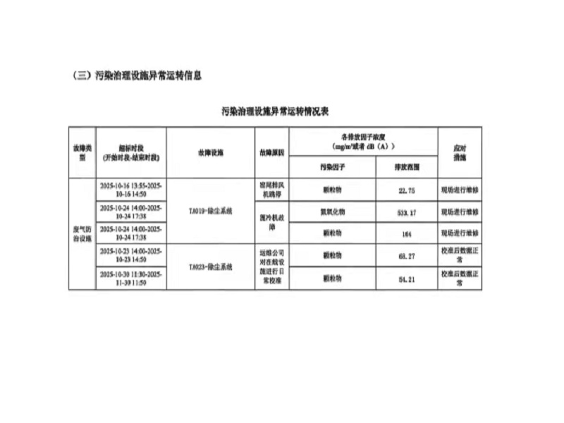
四季度排污许可证执行报告
发布时间:2026-01-21 字号:【
大
中
小
】
分享到:
联系电话:0451-87859912 黑ICP备15007332号-2
Copyright © 2015 YATAI GROUP All Rights reservedved.
吉林亚泰(集团)股份有限公司 版权所有
技术支持:亚泰智能科技有限公司、北京拓尔思信息技术股份有限公司
法律声明
加入我们
网站地图
在线交流